Máy tiện CNC MT8-300 Mozley

Giá bán:Liên hệ

Liên hệ tổng đài đặt hàng
Bấm phím 1 để liên hệ phòng kinh doanh
0934 493 909

Máy tiện CNC MT8-300 Mozley – Giường nghiêng hiệu suất cao, độ chính xác vượt trội

Máy tiện CNC MT8-300 Mozley là dòng máy tiện giường nghiêng (slant bed) hiệu suất cao, được thiết kế chuyên biệt cho gia công chính xác các chi tiết trục ngắn và chi tiết dạng đĩa. Với kết cấu thân máy nguyên khối, hệ dẫn hướng con lăn hiện đại và trục chính cấu trúc ROBUST, MT8-300 mang đến độ cứng vững vượt trội, khả năng cắt ổn định và tuổi thọ vận hành dài lâu.

Đây là lựa chọn lý tưởng cho các doanh nghiệp trong lĩnh vực cơ khí chính xác, điện tử, thiết bị y tế, hàng không vũ trụ và sản xuất tự động hóa.

Đặc điểm nổi bật của máy tiện CNC MT8-300 Mozley

MT8-300 là máy tiện CNC dạng giường nghiêng (slant bed) có đài dao, trong đó đế máy và thân máy được đúc liền khối. Giường máy nằm ngang với bố trí bàn trượt (saddle) nghiêng 30°.

Băng máy sử dụng cấu trúc bậc cao thấp, dẫn hướng con lăn trục Z được bố trí theo chiều cao, với 4 con trượt phân bổ đều trọng lực và lực cắt của bàn trượt. Nhờ đó giảm mài mòn ray dẫn hướng và kéo dài tuổi thọ ray.

Ổ trục chính áp dụng kết cấu ROBUST:

  • Phía trước gồm ổ bi đũa trụ hai dãy + ổ bi chặn tiếp xúc góc hai dãy.
  • Phía sau là ổ bi đũa trụ hai dãy,đảm bảo độ cứng vững và ổn định cao cho trục chính.

Áp dụng thiết kế thân thiện môi trường: dầu bôi trơn của máy được thu gom độc lập, tránh gây ô nhiễm thứ cấp cho dung dịch làm mát.

Ụ sau thủy lực dạng ẩn, ray dẫn hướng ụ sau có thể tháo rời, cấu hình linh hoạt theo nhu cầu sử dụng.

Hệ dẫn động trục đứng và ngang sử dụng động cơ servo AC hiệu suất cao, đảm bảo độ chính xác định vị cao, hoạt động linh hoạt và tin cậy.

Trang bị hệ thống bôi trơn tập trung tự động, đảm bảo bôi trơn đầy đủ và ổn định cho toàn bộ máy.

Mô tả cấu tạo và thông số của máy tiện CNC MT8-300 Mozley

Kết cấu thân máy vững chắc

  • Thân máy đúc liền khối, tối ưu độ cứng và khả năng hấp thụ rung động
  • Dẫn hướng con lăn bậc thang giúp chuyển động trục X/Z mượt và chính xác

Máy tiện CNC MT8-300 Mozley

Biểu đồ công suất và mô-men xoắn của máy tiện MT8-300

Trục chính điện – gia công ổn định ở tốc độ cao

MT8-300 được trang bị trục chính điện (electric spindle) với thiết kế rotor cố định tích hợp trực tiếp vào trục chính. Kết cấu này mang lại:

  • Độ cứng cao
  • Rung động thấp
  • Độ ổn định vượt trội khi chạy tốc độ cao

Nhờ đó, máy đáp ứng tốt các yêu cầu gia công chính xác, đảm bảo chất lượng bề mặt và độ đồng đều sản phẩm trong sản xuất hàng loạt.

Trục chính tích hợp động cơ đồng bộ (Synchronous built-in motor spindle)

  • Thiết kế truyền động tích hợp ở giữa, kết cấu nhỏ gọn, hiệu suất cao, rung động thấp và độ chính xác cao.
  • Đáp ứng gia công tốc độ cao và gia công chính xác.
  • Khi trục chính hoạt động ở tốc độ cao, độ ổn định tốt hơn, thời gian tăng/giảm tốc ngắn, tuổi thọ ổ trục trục chính được kéo dài đáng kể.

Tiêu chuẩn độ chính xác trục chính

Hạng mụcTiêu chuẩn quốc tếTiêu chuẩn MOZLEYMức cải thiện
Độ đảo hướng kính trục chính0.008 mm0.002 mm75%
Độ đảo đầu trục chính0.01 mm0.002 mm80%
Độ đảo hướng kính tại vị trí cách đầu trục 300 mm0.02 mm0.005 mm75%

Trục chính độ cứng cao & hiệu suất cao do phát triển độc lập

Trục chính cơ khí (Mechanical spindle)

Ổ trục trục chính sử dụng kết cấu ROBUST:

  • Phía trước: ổ lăn trụ hai dãy + ổ bi tiếp xúc góc chịu lực đẩy hai dãy
  • Phía sau: ổ lăn trụ hai dãy

Thiết kế này đảm bảo độ cứng vững cao và độ ổn định vượt trội cho trục chính.

Khả năng cắt (Ví dụ: TT6050)

Cắt nặng

  • Khả năng cắt a×f: 6 × 0.4
  • Điều kiện cắt n×d×L: 700 × φ100 × 70
  • Khoan (Mũi khoan chữ U)
  • Khả năng khoan D×f: φ50 × 0.15
  • Điều kiện khoan n×d: 800 × φ100

Độ nhám bề mặt

  • Ra: 0.8
  • Điều kiện n×f: 2000 × 0.08
  • Vật liệu gia công: thép 45#

Chú thích:

  • n: Tốc độ (vòng/phút)
  • f: Lượng chạy dao (mm/vòng)
  • a: Chiều sâu cắt (mm)
  • d: Đường kính phôi (mm)
  • D: Đường kính dao khoan (mm)
  • L: Khoảng cách từ vị trí cắt đến đầu mâm cặp (mm)

Độ chính xác động của trục chính (Dynamic Accuracy)

Kiểm tra độ chính xác động của trục chính

Tốc độ trục chính: 1000 vòng/phút

  • Sai số không đồng bộ hướng kính: 0.0221 mm
  • Sai số không đồng bộ hướng trục: 0.0333 mm
  • Sai số hướng kính trung bình: 0.0045 mm
  • Sai số hướng trục trung bình: 0.00712 mm

Tốc độ trục chính: 2000 vòng/phút

  • Sai số không đồng bộ hướng kính: 0.0261 mm
  • Sai số không đồng bộ hướng trục: 0.0366 mm
  • Sai số hướng kính trung bình: 0.0061 mm
  • Sai số hướng trục trung bình: 0.0069 mm

Tốc độ trục chính: 3000 vòng/phút

  • Sai số không đồng bộ hướng kính: 0.0353 mm
  • Sai số không đồng bộ hướng trục: 0.0415 mm
  • Sai số hướng kính trung bình: 0.0063 mm
  • Sai số hướng trục trung bình: 0.0101 mm

Kiểm tra biến dạng nhiệt trục chính (Spindle thermal deformation)

  • Biểu đồ biến dạng nhiệt sau 1 giờ chạy liên tục ở 2000 vòng/phút.
  • Thiết bị phân tích chuyển động quay đo biến dạng nhiệt trục trục chính.

Sau 1 giờ làm nóng:

  • Góc lắc trục X: -2.1″
  • Góc lắc trục Y: -3.4″
  • Độ lệch trục X: +5.9 μm
  • Độ lệch trục Y: +16.5 μm
  • Độ lệch trục Z: +6.6 μm

Độ chính xác theo phương X / Z (X/Z Direction Accuracy)

Độ chính xác cao

Độ chính xác định vị sau bù trục X

  • Độ chính xác định vị (A): 3 μm
  • Độ lặp lại (R): 2 μm
  • Độ rơ ngược (B): 0.5 μm

Độ chính xác hình học trục X

  • Định vị tuyến tính XTX: 5.3 μm
  • Góc lăn XRX: 3.1″
  • Góc võng XRZ: 1.9″
  • Góc lắc XRY: 2.6″

Giá trị U tối đa

  • Độ thẳng đứng XTY: 1.6 μm
  • Độ song song ngang XTZ: 2.5 μm

Độ tròn khi nội suy trục X/Z

  • Kiểm tra bằng laser ball-bar
  • Bán kính kiểm tra: 50 mm
  • Tốc độ chạy dao: 1000 mm/phút
  • Độ tròn: 7.1 μm

Độ rung khi chạy nhanh (G00)

Trục X

  • Tần số đặc trưng 1: 7.24 Hz – Biên độ: 1.62 m/s² = 0.165 g
  • Tần số đặc trưng 2: 7.54 Hz – Biên độ: 1.15 m/s² = 0.12 g
  • Tần số đặc trưng 3: 7.82 Hz – Biên độ: 0.45 m/s² = 0.046 g

Trục Z

  • Tần số đặc trưng 1: 6.24 Hz – Biên độ: 0.94 m/s² = 0.096 g
  • Tần số đặc trưng 2: 7.79 Hz – Biên độ: 0.83 m/s² = 0.085 g
  • Tần số đặc trưng 3: 6.38 Hz – Biên độ: 0.59 m/s² = 0.06 g

Ổ dao (Turret)

  • Ổ dao servo / ổ dao có động cơ – Độ cứng cao, hiệu suất cao
  • Độ chính xác định vị trục X/Z: 0.005 mm
  • Độ lặp lại trục X/Z: 0.002 mm
  • Thời gian đảo dao (dao liền kề): 0.15 giây
  • Áp suất cao: 10 MPa
  • Ổ dao servo tiêu chuẩn 8 vị trí, tùy chọn 12

Máy tiện CNC MT6-200 Mozley

Đài dao tùy chọn 12 máy tiện Mozley cnc

Ụ động (Tailstock)

  • Côn ụ động MT4, hành trình ống lót 100 mm
  • Phù hợp gia công trục dài, chi tiết yêu cầu độ đồng tâm cao
  • Ống trượt ụ động dẫn động bằng thủy lực, độ ổn định cao, giảm rung động.
  • Trang bị cơ cấu kéo theo, cho phép ụ động di chuyển theo bàn trượt và định vị theo chiều dài phôi.

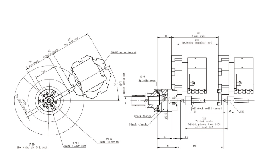
Máy tiện CNC MT8-300 Mozley

Sơ đồ cấu tạo máy tiện CNC MT8-300 Mozley

Máy tiện CNC MT8-300 Mozley

Hình ảnh cấu tạo bên trong MT8-300

Thiết kế thân thiện người vận hành

  • Hệ thống thoát phoi trơn tru
  • Thùng chứa phoi tách rời bồn nước làm mát
  • Bố trí bảng điều khiển hợp lý, dễ thao tác và bảo trì

Thông số máy tiện CNC MT8-300 Mozley

Danh mụcThông sốĐơn vịGiá trịGhi chú
Khả năng làm việc (Capacity)
Đường kính quay trên băng máymmΦ 580
Đường kính quay trên bàn daommΦ 210
Đường kính tiện tối đammΦ 320 (mâm cặp)
Đường kính thanh cốt tối đammΦ 50
Chiều dài tiện tối đamm300
Hành trình (Travel)
Trục Xmm190
Trục Zmm350
Trục chính (Headstock)
Tốc độ trục chínhvòng/phút4000Tốc độ thực tế bị giới hạn bởi tốc độ làm việc tối đa của đồ gá, xi lanh khí hoặc xi lanh dầu.
Đầu trục chính (Spindle nose)A2​−6
Lỗ trục chính (Spindle bore)mmΦ 71
Đài gá dao (Tool post)
LoạiTháp pháo servo 80/12T
Kích thước cán daomm□ 25
Đường kính dao móc lỗ tối đammΦ 32

Tiêu chuẩn linh kiện máy tiện CNC MT8-300 Mozley

STTTên linh kiệnModelSố lượngThương hiệuXuất xứ
1Bộ điều khiểnFANUC 0i-TF Plus(3B)1FANUCNhật Bản
2Động cơ AC ServoX:11Nm/1.8kW
Z:11Nm/1.8kW
1 bộFANUCNhật Bản
3Động cơ chính (Main servo)11kW/52.5Nm1FANUCNhật Bản
4Vòng bi trục chínhNN3022/P4+BTM110/P4; NN3020/P51 bộNSKNhật Bản
5Trục vít me bi (Ball screw)X: φ32×10-C3;
Z: φ32×10-C3
1 bộTHKNhật Bản
6Vòng bi trục vít me25TAC621 bộNSKNhật Bản
7Ray dẫn hướng con lănX/Z: 35/351 bộTHKNhật Bản
8Tháp pháo Servo (Turret)80/12T1PRAGATIẤn Độ
10Mâm cặp thủy lựcOP-2081CHANDOXĐài Loan
11Xi lanh rỗngTK-8521KEPUTETrung Quốc
12Trạm thủy lực45L1MENGFUTrung Quốc
13Hệ thống bôi trơn tự động1.5L1NANFANGTrung Quốc
14Bơm làm mát480W1LUOKAITrung Quốc
15Công tắc bàn đạp (Foot switch)1Trung Quốc
16Tài liệu hướng dẫn1MOZLEYTrung Quốc

Ứng dụng máy tiện CNC MT8-300 Mozley

  • Ngoài các chức năng tiện cơ bản như tiện trơn, tiện rãnh và vát mép, máy còn có thể thực hiện các dạng gia công như:
    +  Ren trong và ren ngoài các loại.
    +  Khoan, doa, khoét, chuốt, lăn ren và nhiều phương pháp gia công khác.
  • Có thể gia công các chi tiết trục ngắn (hoặc dạng đĩa) có hình dạng hình học phức tạp, kích thước lớn và yêu cầu độ chính xác cao như:
    + Bề mặt trụ, mặt côn, bậc trục, mặt cầu và các bề mặt cong khác.
    + Phù hợp gia công phôi thanh có đường kính dưới 50mm.
  • Thích hợp cho sản xuất lô vừa, lô nhỏ hoặc đơn chiếc đối với các chi tiết cỡ vừa và nhỏ, làm từ kim loại màu hoặc kim loại đen.
  • Máy phù hợp với các ngành: Thiết bị đo lường, cơ khí chính xác, công nghiệp nhẹ, điện tử, thiết bị y tế và hàng không vũ trụ.
  • Đây là thiết bị lý tưởng cho sản xuất hàng loạt và tự động hóa các chi tiết phức tạp, yêu cầu độ chính xác cao.

Với thiết kế hiện đại, độ cứng vững cao, khả năng gia công đa dạng và vận hành ổn định, máy tiện CNC MT8-300 Mozley là sự lựa chọn đáng tin cậy cho các nhà máy sản xuất cơ khí chính xác. Nếu bạn đang tìm kiếm một máy tiện CNC hiệu suất cao, bền bỉ và thân thiện môi trường, MT8-300 chắc chắn là giải pháp phù hợp.

Đánh giá Máy tiện CNC MT8-300 Mozley

Chưa có đánh giá nào
5 0% | 0 đánh giá
4 0% | 0 đánh giá
3 0% | 0 đánh giá
2 0% | 0 đánh giá
1 0% | 0 đánh giá
Đánh giá Máy tiện CNC MT8-300 Mozley
Gửi ảnh chụp thực tế
0 ký tự (tối thiểu 10)
    +

    Chưa có đánh giá nào.

    Hỏi đáp

    Chưa có bình luận nào