Máy tiện CNC MD10 Mozley – Có trục phụ và tháp dao động lực
Máy tiện CNC MD10 Mozley là dòng máy tiện CNC – Giải pháp gia công chính xác cao, đa công đoạn, được thiết kế cho các xưởng cơ khí và nhà máy sản xuất linh kiện yêu cầu độ chính xác cao, gia công nhiều nguyên công trong một lần gá và hiệu suất ổn định.
Với thân máy liền khối tiết diện lớn, kết cấu cứng vững ROBUST, cùng bố trí ray dẫn hướng khẩu độ rộng, MD10 đảm bảo khả năng gia công ổn định ngay cả khi cắt nặng và vận hành liên tục.

Hình ảnh máy tiện CNC MD10 Mozley

Cấu tạo trong máy tiện CNC MD10 Mozley
Ưu điểm nổi bật của máy tiện CNC MD10 Mozley
Kết cấu thân máy cứng vững, độ ổn định cao
- Thân máy đúc liền khối, tiết diện rộng
- Hấp thụ rung động tốt, hạn chế biến dạng nhiệt
- Phù hợp gia công chính xác và sản xuất hàng loạt
Trục chính & trục phụ đồng bộ, độ chính xác cao
- Trục chính sử dụng ổ trục độ cứng cao
- Trục phụ tích hợp trong động cơ trục chính
- Căn chỉnh chính xác giữa trục chính và trục phụ, tối ưu gia công hai đầu chi tiết
Tháp dao động lực 12 trạm – gia công đa công đoạn
- Tích hợp tiện – khoan – taro – phay trong một chu trình
- Giảm số lần gá đặt, tăng độ chính xác và năng suất
- Gia công hiệu quả các chi tiết phức tạp
Vận hành ổn định, dễ bảo trì
- Hệ thống kẹp thủy lực chắc chắn
- Bể nước làm mát tách rời, dễ vệ sinh
- Thiết kế tối ưu cho vận hành lâu dài trong môi trường công nghiệp
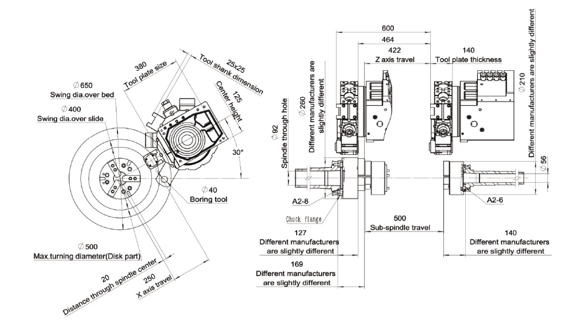
Thông số kỹ thuật máy tiện CNC MD10 Mozley
Khả năng gia công
- Đường kính quay qua băng máy: Ø650 mm
- Đường kính quay qua bàn trượt: Ø400 mm
- Chiều dài tiện tối đa ▲: 350 mm
- Kẹp phôi: Thủy lực
Hành trình & truyền động
- Hành trình trục X/Z: 250 / 420 mm
- Tốc độ chạy nhanh trục X/Z: 24 / 24 m/phút
- Mô-men servo trục X/Z: 20 / 20 N·m
- Độ lặp lại trục X/Z: 0.004 / 0.005 mm
Trục chính
- Mâm cặp: 10 inch
- Tốc độ trục chính ▲: 3000 vòng/phút
- Đầu trục: A2-8
- Đường kính lỗ trục chính: Ø92 mm
Trục phụ
- Mâm cặp: 8 inch
- Tốc độ trục phụ ▲: 4000 vòng/phút
- Đầu trục: A2-6
- Đường kính lỗ trục phụ: Ø56 mm
Tháp dao & công suất
- Tháp dao: Tháp dao động lực 12T-125
- Kích thước cán dao: 25 × 25 mm
- Kích thước dao tiện trong: Ø40 mm
- Công suất động cơ tháp dao ▲: 4.5 kW
- Mô-men xoắn động cơ tháp dao ▲: 18 N·m
- Tổng công suất tiêu thụ ▲: 51 kVA
Kích thước & trọng lượng
- Kích thước tổng thể (D × R × C) ▲: 4100 × 2090 × 1920 mm
- Trọng lượng máy: 5750 kg
Ứng dụng của máy tiện CNC MD10 Mozley
Gia công cơ khí chính xác
- Trục, bạc, vòng, ống, chi tiết dạng tròn xoay
- Chi tiết yêu cầu độ đồng tâm và độ lặp lại cao
- Phù hợp sản xuất hàng loạt và gia công tinh
Gia công chi tiết phức tạp, nhiều nguyên công
- Tiện – khoan – phay – taro trong một lần gá
- Gia công chi tiết có lỗ xuyên, lỗ bậc, rãnh, ren
- Hoàn thiện mặt sau nhờ trục phụ
Ngành ô tô & xe điện
- Linh kiện truyền động, trục động cơ
- Chi tiết cho hệ thống lái, hệ thống treo
- Linh kiện cơ khí chính xác cho xe điện
Ngành tự động hóa & thiết bị công nghiệp
- Trục dẫn hướng, khớp nối, chi tiết máy
- Linh kiện cho dây chuyền sản xuất tự động
Ngành điện – năng lượng – thiết bị công nghiệp
- Vỏ kim loại, chi tiết kết cấu
- Linh kiện cho thiết bị năng lượng mới, thiết bị điện công nghiệp
Vì sao nên chọn máy tiện CNC MD10 Mozley?
- Gia công đa công đoạn trong một lần gá
- Độ chính xác cao, vận hành ổn định
- Phù hợp cho xưởng CNC hiện đại và nhà máy sản xuất linh kiện
- Tối ưu chi phí sản xuất và thời gian chu kỳ






Đánh giá Máy tiện CNC MD10 Mozley
Chưa có đánh giá nào.