Máy tiện CNC G320 Mozley – Giải pháp gia công chính xác cao, hiệu quả cho sản xuất hiện đại
Máy tiện CNC G320 là dòng máy tiện CNC 2 trục (X/Z) do MOZLEY CNC phát triển, nổi bật với kết cấu thân máy nghiêng 30°, độ cứng vững cao và khả năng gia công ổn định trong thời gian dài.
Với thiết kế nhỏ gọn nhưng chắc chắn, G320 mang đến hiệu suất vượt trội so với chi phí đầu tư, đặc biệt phù hợp cho các xưởng cơ khí vừa và nhỏ, cũng như các dây chuyền sản xuất tự động.

Hình ảnh máy tiện CNC G320 Mozley
Ưu điểm của máy tiện CNC G320 Mozley
Kết cấu vững chắc – Nền tảng cho độ chính xác cao
Máy tiện CNC G320 sử dụng thân máy nghiêng 30°, tiết diện ngang lớn giúp:
- Tăng độ cứng vững tổng thể
- Giảm rung động khi gia công tốc độ cao
- Thoát phoi mượt, hạn chế bám phoi
Bệ máy được xử lý bằng công nghệ đổ đặc biệt, đảm bảo máy vận hành ổn định, bền bỉ trong môi trường sản xuất liên tục.
Trục chính chính xác cao – Gia công ổn định lâu dài
Trục chính G320 được trang bị ổ bi tiếp xúc góc chính xác cao bố trí 3 trước – 2 sau, mang lại:
- Độ cứng trục chính vượt trội
- Khả năng giữ độ chính xác lâu dài
- Phù hợp cho tiện tinh và tiện tốc độ cao
Đầu trục chính sử dụng kết cấu làm kín kiểu mê cung hai lớp, ngăn nước và dung dịch làm mát xâm nhập vào ổ bi, từ đó kéo dài tuổi thọ trục chính.
Hệ thống truyền động hiện đại – Chuyển động mượt, chính xác
Máy sử dụng động cơ servo AC hiệu suất cao cho trục X/Z, cho phép:
- Độ chính xác định vị cao
- Chuyển động nhanh, linh hoạt
- Đáp ứng tốt các chu trình gia công phức tạp
Hệ thống dẫn hướng con lăn chính xác cao giúp máy đạt đặc tính động học tốt, đảm bảo bề mặt gia công ổn định.
Thiết kế module – Linh hoạt theo nhu cầu sản xuất
Máy tiện CNC G320 áp dụng thiết kế module, dễ dàng tùy chọn:
- Ổ dao dạng gang
- Đầu dao động lực truyền thẳng
- Đầu dao động lực tiện phay mặt phẳng
Cách bố trí khoa học giúp bảo trì, bảo dưỡng thuận tiện, giảm thời gian dừng máy.
Hệ thống phụ trợ tối ưu – An toàn và thân thiện môi trường
- Bôi trơn tập trung tự động: đảm bảo các bộ phận luôn được bôi trơn đầy đủ
- Kết cấu chống nước kín khít, thùng nước làm mát và bệ máy tách rời
- Dễ vệ sinh phoi, tiết kiệm chi phí vận hành
- Cơ cấu kẹp thủy lực quay, giúp cấp – tháo phôi nhanh chóng, an toàn
Khả năng gia công và phạm vi ứng dụng
Máy tiện CNC G320 có thể thực hiện:
- Tiện, cắt rãnh, vát mép
- Gia công ren trong – ngoài (hệ mét & hệ inch)
- Khoan, khoét, doa, cán lăn
Phù hợp gia công:
- Vật liệu dạng thanh ≤ 35 mm
- Chi tiết dạng đĩa ≤ 300 mm
- Chi tiết trục ngắn, yêu cầu độ chính xác cao
Thông số kỹ thuật máy tiện CNC G320 Mozley
| Hạng mục | Thông số chi tiết | Đơn vị | Quy cách / Giá trị | Ghi chú |
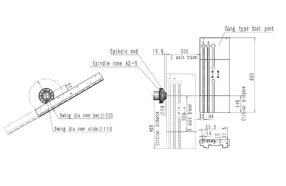
Khả năng gia công | Đường kính quay tối đa trên thân máy | mm | Φ 310 | |
| Đường kính quay tối đa trên bàn dao | mm | Φ 110 | ||
| Đường kính tiện tối đa | mm | Loại đĩa Φ 290 | ||
| Đường kính thanh cốt tối đa qua trục chính | mm | Φ 35 | ||
Hành trình tối đa | X | mm | 320 | |
| Z | mm | 300 | Từ mâm cặp đến mặt đầu bàn trượt X | |
| Y | mm | / | ||
Tốc độ di chuyển nhanh | X | m/min | 18 | |
| Z | m/min | 20 | ||
| Y | m/min | / | ||
Trục chính | Tốc độ trục chính tối đa | r/min | 3500 | Tốc độ thực tế bị giới hạn bởi mâm cặp và xi lanh thủy lực |
| Kiểu đầu trục chính | A2-5 | |||
| Độ côn lỗ trục chính | 34∘ | |||
| Đường kính lỗ thông trục chính | mm | Φ 43 | ||
Ụ động | Hành trình tối đa nòng ụ động | mm | / | Model này không có cấu hình này |
| Đường kính nòng ụ động | mm | / | ||
| Độ côn lỗ trong nòng ụ động | / | |||
Bàn dao | Kiểu bàn dao | Bàn dao ngang (Gang tool) | ||
| Kích thước dao tiện ngoài | mm | □ 20 | ||
| Đường kính cán dao móc lỗ tối đa | mm | Φ 20 | ||
| Mâm cặp | Mâm cặp thủy lực | Mâm cặp lò xo Φ 35 | ||
| Tổng công suất | Công suất tổng của máy | kVA | 8 | |
| Kích thước | Kích thước ngoài (Dài × Rộng × Cao) | mm | 1900×1350×1630 | Sẽ có sai khác tùy cấu hình |
| Trọng lượng | Trọng lượng tịnh | kg | 1940 | Sẽ có sai khác tùy cấu hình |
Độ chính xác của máy tiện CNC G320 Mozley
| Hạng mục | Trục/Chỉ số | Giá trị (mm) | Ghi chú |
Độ lặp lại định vị đơn hướng (mm) | X | 0.006 | |
| Z | 0.006 | ||
| Y | / | ||
| Mẫu thử tiện hình trụ (mm) | Độ tròn | 0.005 | Đường kính Φ 30 |
Tiêu chuẩn linh kiện
| STT | Tên linh kiện | Model / Quy cách | Số lượng | Thương hiệu | Xuất xứ | Ghi chú |
| 1 | Hệ thống điều khiển | GSK980TDHi | 1 bộ | GSK | Quảng Châu | Tùy chọn |
| 2 | Động cơ Servo AC | X/Z: 6Nm | 1 bộ | GSK | Quảng Châu | Tùy chọn |
| 3 | Động cơ biến tần | 3.6kW | 1 bộ | Gexin (革新) | Ninh Ba | Tùy chọn |
| 4 | Vòng bi trục chính | 7015AC/P5 7013AC/P5 | 1 bộ | Trường Thành | Giang Tô | |
5 | Vít me bi | X:Φ25×8-C3 | Mỗi loại 1 | HIWIN / Qijian | Đài Loan / Giang Tô | |
| Z:Φ32×10-P3 | 1 bộ | QIJIAN | Giang Tô (Trung Quốc) | |||
6 | Vòng bi vít me | X:760304TN1/P5 | 2 bộ | Nội địa | Trung Quốc | |
| Z:760305TN1/P5 | 1 bộ | Nội địa | Trung Quốc | |||
| 7 | Ray dẫn hướng bi | X/Z: 25/30 | 1 bộ | HIWIN | Đài Loan | |
| 8 | Mâm cặp lò xo | Φ35 | 1 bộ | Jinhuo (金火) | Hàng Châu | |
| 9 | Xi lanh dầu rỗng | TK-536 | 1 bộ | Copote (科普特) | Giang Tô | Tùy chọn |
| 10 | Trạm thủy lực | 30L, 0.75kW | 1 bộ | Mengfu (蒙福) | Nam Kinh | |
| 11 | Hệ thống bôi trơn tự động | XC1.5 | 1 bộ | Nanfang Pump | Nội địa | |
| 12 | Bơm nước làm mát | LDPB1-15-TP 120W | 1 bộ | Luokai (洛凯) | Nội địa | |
| 13 | Tài liệu đi kèm | 1 bộ | Jinhuo (金火) | Hàng Châu |
Hệ thống điều khiển và Động cơ tùy chọn
| STT | Tên gọi | Model / Quy cách | Số lượng | Thương hiệu | Xuất xứ | Ghi chú |
1 | Hệ thống điều khiển | KND1000TF2i | 1 bộ | KND (凱恩帝) | Bắc Kinh | |
| Động cơ Servo AC | X: 6Nm; Z: 6Nm | 1 bộ | KND (凱恩帝) | Bắc Kinh | ||
| Động cơ biến tần | 3.6kW | 1 bộ | Gexin (革新) | Ninh Ba |
Ứng dụng của máy tiện CNC G320 Mozley
- Ngoài các chức năng tiện, cắt rãnh và vát mép cơ bản, máy còn có thể gia công ren trong – ngoài hệ mét và hệ inch, cũng như khoan, khoét, doa, cán lăn và các nguyên công khác.
- Phù hợp gia công các chi tiết trục ngắn hoặc dạng đĩa có hình dạng phức tạp như: mặt trụ, mặt côn, bậc, mặt cầu và các bề mặt tròn xoay khác, với yêu cầu độ chính xác cao.
- Thích hợp gia công:
– Vật liệu dạng thanh có đường kính ≤ 35 mm
– Chi tiết dạng đĩa có đường kính ≤ 300 mm
– Chi tiết trục ngắn
(Phạm vi có thể thay đổi tùy theo loại đồ gá sử dụng) - Phù hợp cho sản xuất đơn chiếc hoặc loạt nhỏ – trung bình các chi tiết bằng kim loại màu và kim loại đen, kích thước vừa và nhỏ.
- Máy thích hợp cho sản xuất tự động trong các ngành: dụng cụ đo lường, thiết bị công nghiệp nhẹ, điện tử, thiết bị y tế, hàng không – vũ trụ.
Vì sao nên chọn mua máy tiện CNC G320 Mozley?
- Kết cấu cứng vững, độ ổn định cao
- Trục chính chính xác, tuổi thọ dài
- Thiết kế linh hoạt, dễ mở rộng
- Hiệu suất cao – chi phí đầu tư hợp lý
- Phù hợp thị trường cơ khí Việt Nam






Đánh giá Máy tiện CNC G320 Mozley
Chưa có đánh giá nào.